服務熱線
15815550998

產品型號:K2
更新時間:2025-10-23
廠商性質:代理商
訪問量:49
服務熱線158-1555-0998
相關文章
跨境原裝現貨日本IMV艾目微振動控制器
跨境原裝現貨日本IMV艾目微振動控制器

振動控制器
一臺設備搞定一切
振動控制器是忠實執行客戶要求的測試內容的裝置。
由于它至關重要,IMV 自主開發了所有硬件和軟件,
力求使即使是復雜的測試也能輕松執行。K2
系統基于和客戶反饋,兼具全面的功能和易用性。
使用簡單易懂的圖標來支持操作。

只需按照屏幕上的說明使用“簡單定義"功能即可執行一般測試定義。

全面的幫助屏幕解釋了術語的含義和系統的細節。

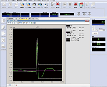
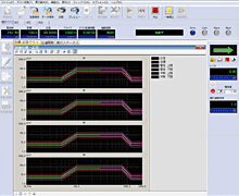
振動時的畫面在局域網上的PC上進行監視。

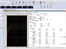
任何測試結果、數據和圖表都可以以任意布局的 Microsoft Word 格式保存。

定義執行計劃,并按順序執行定義的計劃。

采用高分辨率24位A/D和D/A轉換器,實現高控制能力。
硬件*音功能可立即阻止輸出信號,無需任何軟件干預。
激發過程中出現的任何異常或終止都將通過電子郵件通知到您選擇的地址。
定義條件和測試結果信息以CSV格式輸出。







捕獲模擬波形信號并保存為波形數據,可以對SHOCK和BMAC的目標波形進行PSD分析,或者對波形數據進行分析,將其用作RANDOM的目標PSD。
| 采樣頻率 | 最高51200Hz |
|---|---|
| 波形采樣長度 | 最多 5000k 點 |
| 輸入通道 | 最多 64 個通道 |
| 波形編輯和分析功能 | 濾波、頻率轉換、PSD轉換、通道間傳輸速率計算 |
安排并執行定義的測試
將振動試驗機和溫濕度室集成在一個復雜系統中的測試的管理、計劃定義和實施
TCP通信服務器軟件,允許外部應用程序通過TCP/IP發送和接收命令來操作K2應用程序并獲取振動數據和運行狀態。
使用簡單易懂的圖標,只需單擊即可直觀地選擇操作

只需從標準中定義的測試條件列表中進行選擇,即可自動創建測試文件。
*有關標準類型,請參閱下方提供的豐富可選標準。

目前(版本22.2.0.0)啟動器軟件(可選)中存儲的主要測試標準如下。
| JIS C 60068 | 正弦波振動試驗、隨機波振動試驗、沖擊試驗 |
|---|---|
| JIS D 1601 | 汽車零部件振動試驗方法 |
| JIS E 4031 | 軌道車輛設備功能測試、耐久性測試 |
| JIS Z 0200 | 運輸測試 |
| JIS Z 0232 | 運輸測試(隨機) |
| JASO D 014 | 汽車零部件功能驗證測試 |
| 美國材料與試驗協會 | 運輸測試 |
| 聯合國 | 聯合國關于鋰離子電池的建議 |
| ISO16750 | 汽車零部件測試 |
| ISO12405 | 電動汽車 |
| IEC60068 | 正弦波振動試驗、隨機波振動試驗、沖擊試驗 |
| IEC62660 | 電動汽車鋰離子二次電池單元的隨機和沖擊試驗 |
| 國際航天協會 | 運輸測試 |
| IEC61373 | 鐵路車輛用品 |
| ISO13355 | 運輸測試(隨機) |
| ISO4180 | 運輸測試 |
| ISO19453 | 電動汽車零部件 |
| JIS E 3014 | 鐵路信號安全部件 |
| 環境影響評估 364 | 電連接器 |
*軟件升級需要額外付費。